产品目录
- SATA(世达)
- 综合组套
- 工具箱、工具车、工具包
- 套筒及配件
- 扳手
- 扭力扳手
- 内六角
- 螺丝批旋具头
- 钳类工具
- 切割工具
- 敲击工具
- 测量工具
- 其它手动工具
- 电工电子工具
- 汽修汽保工具
- 轮胎设备
- 气动工具
- 个人防护用品
- 钻夹头
- 宝工
- 测试仪表
- 精密剪角钳/精密电子钳
- 高级电工钳/电缆剪线钳
- 刀剪
- 网路压接工具
- 剥线钳/压线钳
- 焊台/焊接除锡工具
- 精密调整/螺丝批
- 扳手/精密镊子
- 静电防护产品
- 放大镜类
- 光纤工具
- 电动工具及螺丝丝批头
- 零件盒
- 综合工具
- 专业工具箱/工具包
- 专业套装工具
- 防滑手钳系列
- RUBICON(罗宾汉)
- 螺丝批/螺丝批组套
- 精密型螺丝批
- 电脑批
- 绝缘工具/绝缘工具套装
- 电缆脱皮器/剥皮器
- 油压电缆剪
- 压线钳/剥线钳
- 钳/微型钳
- 树枝剪及锯刀
- 铆钉枪/安全眼镜
- 铁皮剪/蛇头剪/鲤鱼钳/大力钳
- 六角扳手/六角扳手套组
- 扳手/扳手套组/扭力扳手
- 套筒/套筒组套
- 气动工具
- 电子工具套装
- 中测
- 高精密四线式线材高压瞬断分析仪
- 精密元件综合分析仪
- 多通道连接器高压测试仪
- 精密触摸式元件测试分析仪
- 精密直流微电阻测试仪
- 耐电压测试仪
- 精密四线式线材综合测试仪
- 精密线材综合测试仪
- 线束/连接器测试仪
- 精密连接器高压综合测试仪
- 精密连接器测试仪
- 精密触摸式电感平衡测试分析仪
- 线圈层间短路测试仪
- 多绕组层间短路测试仪
- 长盛
- 程控多路变频安规测试
- 安规测试仪
- 耐压测试仪
- 耐压校验仪/数字高压表
- LCR数字电桥
- 程控电容器漏电流/绝缘电阻测试仪
- 数字超高阻计/程控绝缘电阻测试仪
- 可编程直流低电阻测试仪
- 电子负载
- 数字扫频仪/函数信号发生器
- 匝间绝缘耐压测试仪
地址:威海市初村镇初河南路60号
客服:0631-5224466 5229596
传真:0631-5219496
邮编:264200
客服:0631-5224466 5229596
传真:0631-5219496
邮编:264200
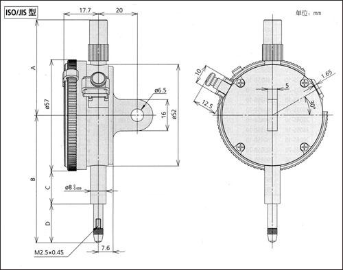
指针式千分表2系列-标准型、0.01mm分辨率 首页 > 产品目录 > 精密测量 > 三丰量具 > 千分表/指针式千分表/杠杆千分表
特点
• 刻度值为0.01mm的标准刻度盘带有一个外径为Ø57mm的外框架,。所有的标准型都带有限位指针和外框架锁紧装置。
• 外框架锁紧装置和提升杆(选件)可装在左侧或右侧,这些零件可轻易组装而不需要借助工具。
• 外框架和水晶表盖使用O型密封圈紧密黏合,可保证表盘面有效防水及放油。
• 高强度淬火不锈钢心轴,适于高强度测量。
• 硬质合金测头
• 不锈钢齿轮不易损坏和变形。
• 水晶表盖采用加硬涂层,高度防划和耐化学腐蚀。
• 扇形齿轮采用某种合金,不易损坏。
• 轴承零件宝石材料,具有高度的灵敏性且经久耐用。
性能参数
公制型
ISO/JI
|
分度值
|
货号
|
测量范围
(测量范围/每圈行程) |
精度
|
表盘读书值
|
测力
|
![]() |
![]() |
![]() |
![]() |
![]() |
|
|
|
带耳后盖
|
平型后盖
|
|||||||||||
|
0.005mm
|
2124S-10
|
2124SB-10
|
5mm(0.5mm)
|
±12μm
|
0-50
|
1.5N以下
|
-
|
-
|
-
|
√
|
-
|
-
|
|
0.001mm
|
2110S-10
|
2110SB-10
|
1mm(0.1mm)
|
±5μm
|
0-100
|
1.5N以下
|
√
|
-
|
-
|
√
|
√
|
-
|
|
0.001mm
|
2110S-70
|
2110SB-70
|
1mm(0.1mm)
|
±5μm
|
0-100
|
2.0N以下
|
√
|
√
|
-
|
√
|
√
|
-
|
|
0.001mm
|
2109S-10
|
2109SB-10
|
1mm(0.2mm)
|
±5μm
|
0-100-0
|
1.5N以下
|
√
|
-
|
-
|
√
|
-
|
-
|
|
0.001mm
|
2109SH-10
|
2109SHB-10
|
1mm(0.2mm)
|
±3μm
|
0-100-0
|
1.5N以下
|
√
|
-
|
-
|
√
|
-
|
-
|
|
0.001mm
|
-
|
2109SLB-10
|
1mm(0.2mm)
|
±5μm
|
0-100-0
|
1.5N以下
|
√
|
|
√
|
√
|
-
|
-
|
|
0.001mm
|
2109S-70
|
2109SB-70
|
1mm(0.2mm)
|
±5μm
|
0-100-0
|
2.0N以下
|
√
|
√
|
-
|
√
|
-
|
-
|
|
0.001mm
|
2113S-10
|
2113SB-10
|
2mm(0.2mm)
|
±7μm
|
0-100-0
|
1.5N以下
|
√
|
-
|
-
|
√
|
-
|
-
|
|
0.001mm
|
2118S-10
|
2118SB-10
|
5mm(0.2mm)
|
±10μm
|
0-100-100
|
1.5N以下
|
-
|
-
|
-
|
√
|
-
|
-
|
|
0.001mm
|
2119S-10
|
2119SB-10
|
5mm(0.2mm)
|
±10μm
|
0-100-0
|
1.5N以下
|
-
|
-
|
-
|
√
|
-
|
-
|
尺寸

尺寸
|
货号
|
A
|
B
|
C
|
D
|
| 2124S-10 | 48.8 | 60.3 | 16.9 | 14.9 |
| 2110S-10 | 48.8 | 66.5 | 16.9 | 21.1 |
| 2110S-70 | 48.8 | 67.5 | 12.3 | 26.7 |
| 2109S-10 | 48.8 | 60.5 | 16.9 | 15.1 |
| 2109SH-10 | 48.8 | 60.5 | 16.9 | 15.1 |
| 2019SLB-10 | 48.8 | 80.5 | 36.9 | 15.1 |
| 2109S-70 | 48.8 | 65.3 | 12.3 | 24.5 |
| 2113S-10 | 48.8 | 61 | 16.9 | 15.6 |
| 2118S-10 | 48.8 | 60.3 | 16.9 | 14.9 |
| 2119S-10 | 48.8 | 60.3 | 16.9 | 14.9 |
.jpg)
.jpg)
.jpg)
.jpg)
.jpg)