品牌目录
联系我们
地址:威海市初村镇初河南路60号
客服:0631-5224466 5229596
传真:0631-5219496
邮编:264200
客服:0631-5224466 5229596
传真:0631-5219496
邮编:264200
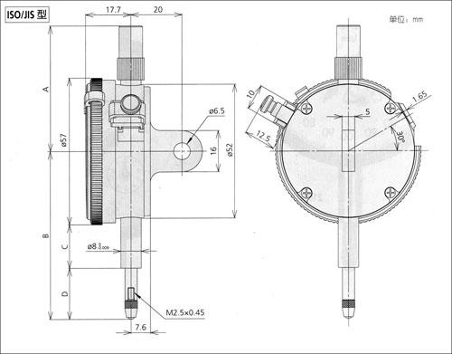
指针式千分表2系列—标准型 、0.01mm分辨率 首页 > 产品目录 > 精密测量 > 三丰量具 > 千分表/指针式千分表/杠杆千分表
2系列指针式千分表是三丰量具中最常见且应用最广泛的指针式千分表。
特点
• 刻度值为0.01mm的标准刻度盘带有一个外径为57mm的外框架。所有的标准型都带有限位指针和外框架锁紧装置。
• 外框架锁紧装置和提升杆(选件)可装在左侧或右侧,这些零件可轻易组装而不需要借助工具。
• 外框架和水晶表盖使用O型圈紧黏合,可保证表盘面有效防水及防油。
• 高强度淬火不锈钢心轴,适于高强度测量。
• 硬质合金侧头
• 不锈钢齿轮不易损坏和变形
• 水晶表盖采用加硬涂层,具有良好的高度防划和耐化学腐蚀。
性能参数
公制型
ISO/JIS 型
|
分度值
|
货号
|
测量范围
(测量范围/每圈行程) |
精度
|
表盘读书值
|
测力
|
![]() |
![]() |
![]() |
![]() |
![]() |
![]() |
|
|
带耳后盖
|
平型后盖
|
|||||||||||
|
0.01mm |
2044S
|
2044BS
|
5mm(1mm)
|
±12μm
|
0-100
|
1.4N以下
|
-
|
-
|
-
|
-
|
-
|
-
|
|
0.01mm
|
2044S-09
|
2044BS-09
|
5mm(1mm)
|
±13μm
|
0-100
|
1.4N以下
|
√
|
-
|
-
|
-
|
-
|
-
|
|
0.01mm
|
2044S-60
|
2044SB-60
|
5mm(1mm)
|
±12μm
|
0-100
|
2.5N以下
|
-
|
√
|
-
|
-
|
-
|
-
|
|
0.01mm
|
2045S
|
2045SB
|
5mm(1mm)
|
±12μm
|
0-50-0
|
1.4N以下
|
-
|
-
|
-
|
-
|
-
|
-
|
|
0.01mm
|
2046S
|
2046SB
|
10mm(1mm)
|
±13μm
|
0-100
|
1.4N以下
|
-
|
-
|
-
|
-
|
-
|
-
|
|
0.01mm
|
2046SY
|
2046SYB
|
10mm(1mm)
|
±13μm
|
0-100
|
1.4N以下
|
-
|
|
-
|
-
|
-
|
-
|
|
0.01mm
|
2046SH
|
2046SHB
|
10mm(1mm)
|
±8μm
|
0-100
|
1.4N以下
|
-
|
-
|
-
|
-
|
-
|
-
|
|
0.01mm
|
-
|
2046SLB
|
10mm(1mm)
|
±13μm
|
0-100
|
1.4N以下
|
-
|
-
|
√
|
-
|
-
|
-
|
|
0.01mm
|
2046S-09
|
2046SB-09
|
10mm(1mm)
|
±15μm
|
0-100
|
1.4N以下
|
-
|
-
|
-
|
-
|
-
|
-
|
|
0.01mm
|
2046S-60
|
2046SB-60
|
10mm(1mm)
|
±13μm
|
0-100
|
2.5N以下
|
√
|
-
|
-
|
-
|
-
|
-
|
|
0.01mm
|
2046S-69
|
2046SB-69
|
10mm(1mm)
|
±15μm
|
0-100
|
2.5N以下
|
-
|
√
|
-
|
-
|
-
|
-
|
|
0.01mm
|
2046S-15
|
2046SB-15
|
10mm(1mm)
|
±13μm
|
0-100
|
0.8N以下
|
√
|
√
|
-
|
√
|
-
|
-
|
|
0.01mm
|
2046S-10
|
2046SB-10
|
10mm(1mm)
|
±15μm
|
0-100
|
1.4N以下
|
-
|
-
|
-
|
√
|
√
|
-
|
|
0.01mm
|
2902S
|
2902SB
|
10mm(1mm)
|
±13μm
|
100-0
|
1.4N以下
|
-
|
-
|
-
|
-
|
-
|
√
|
|
0.01mm
|
2047S
|
2047SB
|
10mm(1mm)
|
±13μm
|
0-50-0
|
1.4N以下
|
-
|
-
|
-
|
-
|
-
|
-
|
尺寸

尺寸
|
货号
|
A
|
B
|
C
|
D
|
| 2044S | 48.8 | 65.2 | 16.9 | 19.8 |
| 2044S-09 | 48.8 | 65.2 | 16.9 | 19.8 |
| 2044S-60 | 48.8 | 70 | 12.3 | 29.2 |
| 2045S | 48.8 | 65.2 | 16.9 | 19.8 |
| 2046S | 48.8 | 65.2 | 16.9 | 19.8 |
| 2046SH | 48.8 | 65.2 | 16.9 | 19.8 |
| 2046SLB | 48.8 | 85.2 | 36.9 | 19.8 |
| 2046S-09 | 48.8 | 65.2 | 16.9 | 19.8 |
| 2046S-60 | 48.8 | 70 | 12.3 | 29.2 |
| 2046S-69 | 48.8 | 70 | 12.3 | 29.2 |
| 6046S-15 | 48.8 | 65.2 | 16.9 | 19.8 |
| 2310S-10 | 48.8 | 65.2 | 16.9 | 19.8 |
| 2902S | 48.8 | 65.2 | 16.9 | 19.8 |
| 2047S | 48.8 | 65.2 | 16.9 | 19.8 |

.jpg)

.jpg)

