- SATA(世达)
- 综合组套
- 工具箱、工具车、工具包
- 套筒及配件
- 扳手
- 扭力扳手
- 内六角
- 螺丝批旋具头
- 钳类工具
- 切割工具
- 敲击工具
- 测量工具
- 其它手动工具
- 电工电子工具
- 汽修汽保工具
- 轮胎设备
- 气动工具
- 个人防护用品
- 钻夹头
- 宝工
- 测试仪表
- 精密剪角钳/精密电子钳
- 高级电工钳/电缆剪线钳
- 刀剪
- 网路压接工具
- 剥线钳/压线钳
- 焊台/焊接除锡工具
- 精密调整/螺丝批
- 扳手/精密镊子
- 静电防护产品
- 放大镜类
- 光纤工具
- 电动工具及螺丝丝批头
- 零件盒
- 综合工具
- 专业工具箱/工具包
- 专业套装工具
- 防滑手钳系列
- RUBICON(罗宾汉)
- 螺丝批/螺丝批组套
- 精密型螺丝批
- 电脑批
- 绝缘工具/绝缘工具套装
- 电缆脱皮器/剥皮器
- 油压电缆剪
- 压线钳/剥线钳
- 钳/微型钳
- 树枝剪及锯刀
- 铆钉枪/安全眼镜
- 铁皮剪/蛇头剪/鲤鱼钳/大力钳
- 六角扳手/六角扳手套组
- 扳手/扳手套组/扭力扳手
- 套筒/套筒组套
- 气动工具
- 电子工具套装
- 中测
- 高精密四线式线材高压瞬断分析仪
- 精密元件综合分析仪
- 多通道连接器高压测试仪
- 精密触摸式元件测试分析仪
- 精密直流微电阻测试仪
- 耐电压测试仪
- 精密四线式线材综合测试仪
- 精密线材综合测试仪
- 线束/连接器测试仪
- 精密连接器高压综合测试仪
- 精密连接器测试仪
- 精密触摸式电感平衡测试分析仪
- 线圈层间短路测试仪
- 多绕组层间短路测试仪
- 长盛
- 程控多路变频安规测试
- 安规测试仪
- 耐压测试仪
- 耐压校验仪/数字高压表
- LCR数字电桥
- 程控电容器漏电流/绝缘电阻测试仪
- 数字超高阻计/程控绝缘电阻测试仪
- 可编程直流低电阻测试仪
- 电子负载
- 数字扫频仪/函数信号发生器
- 匝间绝缘耐压测试仪
客服:0631-5224466 5229596
传真:0631-5219496
邮编:264200
ID-C ABSOLUTE Digimatic 千分表543系列—带有绿色/红色LED和GO/NG信号输出功能 首页 > 产品目录 > 精密测量 > 三丰量具 > 千分表/指针式千分表/杠杆千分表
特点:
• 带有最大/最小值保持功能,可通过峰值设置以ID-C信号输出GO/±NG判断结果的信号,而且可通过计算所获得的测量数据进行判断,代替了机械/电子接触。有效避免了由于测针和量化调整而导致的误差,确保了高可靠性。
• 可通过NPN集电极开路、像序列发生器一样,将信号输出到外部设备。
• 通过绿色/红色LED和液晶显示屏上的"<,0,>"符号显示GO/±NG判断结果。
• 采用了ABSOLUTE线性编码器,接通电源后ID-C信号显示心轴距离原点的"绝对原点位置",无极限响应速度有效避免了超速错误。
• ID-C信号达到IP54防护标准,可防尘/防污染,即使在恶劣的机械工厂环境下也可安全使用。
技术参数:
精度:参见性能参数(不包括量化偏差)
分辨率:0.001mm,.00005"/0.001mm或.0001"/0.001mm
显示:液晶显示
长度标准杆:ABSOLUTE静电电容型线性编码器
最大反应速度:无限制
测力:2.0N以下
轴套外径:8mm(ISO/JIS型)或3/8"(ANSI/AGD型)
测针:带有M2.5×0.45螺纹的硬质合金球(ISO/JIS型)或带有#4-48UNF螺纹的硬质合金球(ANSI/AGD型)
电源:DC 12-24V±10%
尘/水防护等级:达到1P54防护标准
功能:
数据输出(-NG/OK/NG信号、NPN集电极开路)、远程控制(保持预调、调出预调、调零)、原点设置/预调、调零、GO/±NG判断、最大/最小/溢出值保持、计数方向转换、自动电源开/关、英制/公制转换(英制/公制型)
警告:低电压、计算错误、溢出错误、公差极限设置错误
选件:
902011:心轴提升杆*(ISO/JIS型)
902794:心轴提升杆*(ANSI/AGD型)
540774:心轴提升电缆*
125317:备用橡胶保护套
————:后盖
————:测针
*使用心轴提升杆/电缆时,不能保证达到IP54尘/水防护标准
输出格式:
| 电线 | -NG | OK | +NG | 错误信号 |
| 橙色(-NG) | 低电平 | 高电平 | 高电平 | 高电平 |
| 绿色(OK) | 高电平 | 低电平 | 高电平 | 高电平 |
| 橙色(+NG) | 高电平 | 高电平 | 低电平 | 高电平 |
| LED | 红色 | 绿色 | 红色 | 红色(闪烁) |
| LCD | < | 0 | > | "x.xxE"显示 |
输入/输出性能参数:
| 电线 | 信号 | ︱/O | 说明 |
| 黑色 | -V(GND) | — | 连接至负端(-) |
| 红色 | +V(GND) | ︱ | 电源(12-24VDC) |
| 橙色 | -NG | O | 公差判断结果输出:仅当端子对一个判断结果反应时,其值设为低电平 |
| 绿色 | OK | O | |
| 棕色 | +NG | O | |
| 黄色 | 调出预调/调零 | ︱ | 外部输入端子,如果相应端子为低电平时,该信号值为真 |
| 蓝色 | 保持重置 | ︱ | |
| 屏蔽 | FG | — | 接地GNO |
性能参数:
|
公制型
|
|
ISO/JIS型
|
|
ANSI/AGD型
|
| 分辨率 | 货号* | 测量范围 | 精度 |
| 0.0002-1mm(可转换) | 543-285B | 12.7mm | 0.003mm |
| 543-480B | 25.4mm | 0.003mm | |
| 543-485B | 50.8mm | 0.006mm |
| 分辨率 | 货号* | 测量范围 | 精度 | 测力 | 备注 | |
| .00005"/0.001mm | 543-281 | 543-281B | .5" | .00012" | 2.0N以下 | — |
| .00005"/0.001mm | 543-282 | 543-282B | .5" | .00012" | 2.0N以下 | — |
| .0005"/0.01mm | 543-283 | 543-283B | .5" | .00012" | 2.0N以下 | — |
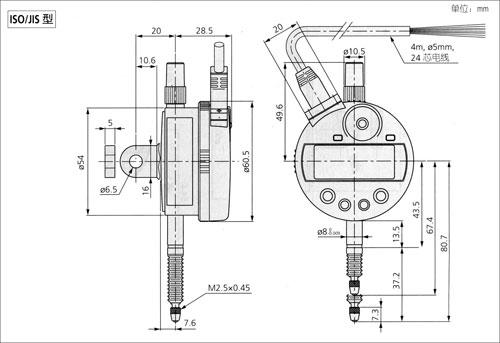
尺寸:

注1:英制型千分表(ANSI/AGD型)和公制型千分表(ISO/JIS型)在尺寸上略有不同。
注2:英制型千分表(ANSI/AGD型)带有3/8"外径的轴套和用于安装测针的#4-48UNF螺纹。