- SATA(世达)
- 综合组套
- 工具箱、工具车、工具包
- 套筒及配件
- 扳手
- 扭力扳手
- 内六角
- 螺丝批旋具头
- 钳类工具
- 切割工具
- 敲击工具
- 测量工具
- 其它手动工具
- 电工电子工具
- 汽修汽保工具
- 轮胎设备
- 气动工具
- 个人防护用品
- 钻夹头
- 宝工
- 测试仪表
- 精密剪角钳/精密电子钳
- 高级电工钳/电缆剪线钳
- 刀剪
- 网路压接工具
- 剥线钳/压线钳
- 焊台/焊接除锡工具
- 精密调整/螺丝批
- 扳手/精密镊子
- 静电防护产品
- 放大镜类
- 光纤工具
- 电动工具及螺丝丝批头
- 零件盒
- 综合工具
- 专业工具箱/工具包
- 专业套装工具
- 防滑手钳系列
- RUBICON(罗宾汉)
- 螺丝批/螺丝批组套
- 精密型螺丝批
- 电脑批
- 绝缘工具/绝缘工具套装
- 电缆脱皮器/剥皮器
- 油压电缆剪
- 压线钳/剥线钳
- 钳/微型钳
- 树枝剪及锯刀
- 铆钉枪/安全眼镜
- 铁皮剪/蛇头剪/鲤鱼钳/大力钳
- 六角扳手/六角扳手套组
- 扳手/扳手套组/扭力扳手
- 套筒/套筒组套
- 气动工具
- 电子工具套装
- 中测
- 高精密四线式线材高压瞬断分析仪
- 精密元件综合分析仪
- 多通道连接器高压测试仪
- 精密触摸式元件测试分析仪
- 精密直流微电阻测试仪
- 耐电压测试仪
- 精密四线式线材综合测试仪
- 精密线材综合测试仪
- 线束/连接器测试仪
- 精密连接器高压综合测试仪
- 精密连接器测试仪
- 精密触摸式电感平衡测试分析仪
- 线圈层间短路测试仪
- 多绕组层间短路测试仪
- 长盛
- 程控多路变频安规测试
- 安规测试仪
- 耐压测试仪
- 耐压校验仪/数字高压表
- LCR数字电桥
- 程控电容器漏电流/绝缘电阻测试仪
- 数字超高阻计/程控绝缘电阻测试仪
- 可编程直流低电阻测试仪
- 电子负载
- 数字扫频仪/函数信号发生器
- 匝间绝缘耐压测试仪
客服:0631-5224466 5229596
传真:0631-5219496
邮编:264200
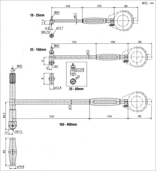
内径表511系列 首页 > 产品目录 > 精密测量 > 三丰量具 > 三点内径千分尺/内径千分尺/内径表
三丰拥有全系列内径表可供用户选择,它们全部带有可更换测砧和进行精密内径测量所需的附件。
特点:
• 最为用户青睐的内径表。
• 测针带有硬质合金头经久耐用。
• 指针式千分表完全由坚固的防护罩保护。
• 选用延长选件,可进行深孔测量。
• 也可选用经济型内径表套装。
技术参数:
精度:5μm
示值稳定度:2μm
分度值:0.01mm,0.001mm,.0005或.0001"
选件:
953549:用于18-35mm(.7"-1.4")型号的125mm延长杆
953552:用于35-160mm(1.4"-6.5")型号的125mm延长杆
953557:用于160-400mm(6.5"-16")型号的125mm延长杆
953550:用于18-35mm(.7"-1.4")型号的250mm延长杆
953553:用于35-160mm(1.4"-6.5")型号的250mm延长杆
952361:用于160-400mm(6.5"-16")型号的250mm延长杆
953551:用于18-35mm(.7"-1.4")型号的500mm延长杆
953554:用于35-160mm(1.4"-6.5")型号的500mm延长杆
953558:用于160-400mm(6.5"-16")型号的500mm延长杆
953555:用于35-160mm(1.4"-6.5")型号的750mm延长杆
953559:用于160-400mm(6.5"-16")型号的750mm延长杆
953556:用于35-160mm(1.4"-6.5")型号的1000mm延长杆
953560:用于160-400mm(6.5"-16")型号的1000mm延长杆

性能参数:
公制型—单体
| 测量范围 | 货号 | 测量深度(D) |
| 18-35mm | 511-167 | 100mm |
| 35-60mm | 511-168 | 150mm |
| 50-100mm | 511-169 | 150mm |
| 50-150mm | 511-170 | 150mm |
| 100-160mm | 511-178 | 150mm |
| 160-250mm | 511-179 | 250mm |
| 250-400mm | 511-180 | 250mm |
| 18-35mm | 511-171 | 100mm |
| 35-60mm | 511-172 | 150mm |
| 50-100mm |
511-173 |
150mm |
| 50-150mm | 511-174 | 150mm |
| 100-160mm | 511-175 | 150mm |
| 160-250mm | 511-176 | 250mm |
| 250-400mm | 511-177 | 250mm |
英制型—单体
| 测量范围 | 货号 | 测量深度(D) |
| .7"-1.4" | 511-163 | 4" |
| 1.4"-2.5" | 511-164 | 6" |
| 2"-4" | 511-165 | 6" |
| 2"-6" | 511-166 | 6" |
| 4"-6.5" | 511-187 | 6" |
| 6.5"-10" | 511-188 | 10" |
| 10"-16" | 511-189 | 10" |
| .7"-1.4" | 511-159 | 4" |
| 1.4"-2.5" | 511-160 | 6" |
| 2"-4" |
511-161 |
6" |
| 2"-6" | 511-162 | 6" |
| 4"-6.5" | 511-184 | 6" |
| 6.5"-10" | 511-185 | 10" |
| 10"-16" | 511-186 | 10" |
公制型—内径表套装
| 测量范围 | 货号 | 测头数量 |
| 18-150mm | 511-902 | 3 |
| 18-150mm | 511-901 | 3 |
*带有校正环规
|
|
0.001mm分度值 (带有2109SB-10) |
|
0.01mm分度值 (带有2046SB) |
英制型—内径表套装
| 测量范围 | 货号 | 测头数量 |
| .7"-6" | 511-912 | 3 |
| .7"-6" | 511-911 | 3 |
*带有校正环规
|
|
.0001"分度值 (带有2923SB-10) |
|
.0005"分度值 (带有2922SB) |
侧头

尺寸
