产品目录
- SATA(世达)
- 综合组套
- 工具箱、工具车、工具包
- 套筒及配件
- 扳手
- 扭力扳手
- 内六角
- 螺丝批旋具头
- 钳类工具
- 切割工具
- 敲击工具
- 测量工具
- 其它手动工具
- 电工电子工具
- 汽修汽保工具
- 轮胎设备
- 气动工具
- 个人防护用品
- 钻夹头
- 宝工
- 测试仪表
- 精密剪角钳/精密电子钳
- 高级电工钳/电缆剪线钳
- 刀剪
- 网路压接工具
- 剥线钳/压线钳
- 焊台/焊接除锡工具
- 精密调整/螺丝批
- 扳手/精密镊子
- 静电防护产品
- 放大镜类
- 光纤工具
- 电动工具及螺丝丝批头
- 零件盒
- 综合工具
- 专业工具箱/工具包
- 专业套装工具
- 防滑手钳系列
- RUBICON(罗宾汉)
- 螺丝批/螺丝批组套
- 精密型螺丝批
- 电脑批
- 绝缘工具/绝缘工具套装
- 电缆脱皮器/剥皮器
- 油压电缆剪
- 压线钳/剥线钳
- 钳/微型钳
- 树枝剪及锯刀
- 铆钉枪/安全眼镜
- 铁皮剪/蛇头剪/鲤鱼钳/大力钳
- 六角扳手/六角扳手套组
- 扳手/扳手套组/扭力扳手
- 套筒/套筒组套
- 气动工具
- 电子工具套装
- 中测
- 高精密四线式线材高压瞬断分析仪
- 精密元件综合分析仪
- 多通道连接器高压测试仪
- 精密触摸式元件测试分析仪
- 精密直流微电阻测试仪
- 耐电压测试仪
- 精密四线式线材综合测试仪
- 精密线材综合测试仪
- 线束/连接器测试仪
- 精密连接器高压综合测试仪
- 精密连接器测试仪
- 精密触摸式电感平衡测试分析仪
- 线圈层间短路测试仪
- 多绕组层间短路测试仪
- 长盛
- 程控多路变频安规测试
- 安规测试仪
- 耐压测试仪
- 耐压校验仪/数字高压表
- LCR数字电桥
- 程控电容器漏电流/绝缘电阻测试仪
- 数字超高阻计/程控绝缘电阻测试仪
- 可编程直流低电阻测试仪
- 电子负载
- 数字扫频仪/函数信号发生器
- 匝间绝缘耐压测试仪
地址:威海市初村镇初河南路60号
客服:0631-5224466 5229596
传真:0631-5219496
邮编:264200
客服:0631-5224466 5229596
传真:0631-5219496
邮编:264200
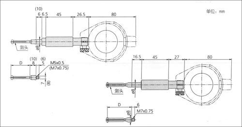
内径表526系列—用于极小孔 首页 > 产品目录 > 精密测量 > 三丰量具 > 三点内径千分尺/内径千分尺/内径表
这些内径表适于测量小孔直径。千分表可显示半球型测头径向位移到测量杆轴向位移的转换。
特点:
• 台架选件(215-120M)可有效地测量多个小孔。
技术参数:
精度:4μm
示值稳定度:2μm
分度值:0.01mm,0.001mm,.0005或.00001"
5
选件:
215-120M:内径表台架
—:校正环规

性能参数:
公制型
| 测量范围 | 货号 | 测量深度(D) |
| 0.95-1.55mm | 526-172* | 11.5mm |
| 1.5-4mm | 526-162* | 17.5,22.5mm |
| 3.7-7.3mm | 526-152* | 32mm |
| 7-10mm | 526-124 | 56mm |
| 10-18mm | 526-125 | 62mm |
| 0.95-1.55mm | 526-173* | 11.5mm |
| 1.5-4mm | 526-163* | 17.5,22.5mm |
| 3.7-7.3mm | 526-153* | 32mm |
| 7-10mm | 526-126 | 56mm |
| 10-18mm | 526-127 | 62mm |
*带有校正环规
|
|
0.001mm分度值 (带有2109SB-10) |
|
0.01mm分度值 (带有2046SB) |
英制型
| 测量范围 | 货号 | 测量深度(D) |
| .037"-.061" | 526-176* | .45" |
| .06"-.155" | 526-166* | .68",.88" |
| .145"-.29" | 526-156* | 1.25" |
| .3"-.4" | 526-122 | 2.2" |
| .4"-.7" | 526-123 | 2.4" |
| .3"-.4" | 526-119 | 2.2" |
| .4"-.7" | 526-120 | 2.4" |
*带有校正环规
|
|
.0001"分度值 (带有2923SB-10) |
|
.0005"分度值 (带有2922SB) |
尺寸
.jpg)