产品目录
- SATA(世达)
- 综合组套
- 工具箱、工具车、工具包
- 套筒及配件
- 扳手
- 扭力扳手
- 内六角
- 螺丝批旋具头
- 钳类工具
- 切割工具
- 敲击工具
- 测量工具
- 其它手动工具
- 电工电子工具
- 汽修汽保工具
- 轮胎设备
- 气动工具
- 个人防护用品
- 钻夹头
- 宝工
- 测试仪表
- 精密剪角钳/精密电子钳
- 高级电工钳/电缆剪线钳
- 刀剪
- 网路压接工具
- 剥线钳/压线钳
- 焊台/焊接除锡工具
- 精密调整/螺丝批
- 扳手/精密镊子
- 静电防护产品
- 放大镜类
- 光纤工具
- 电动工具及螺丝丝批头
- 零件盒
- 综合工具
- 专业工具箱/工具包
- 专业套装工具
- 防滑手钳系列
- RUBICON(罗宾汉)
- 螺丝批/螺丝批组套
- 精密型螺丝批
- 电脑批
- 绝缘工具/绝缘工具套装
- 电缆脱皮器/剥皮器
- 油压电缆剪
- 压线钳/剥线钳
- 钳/微型钳
- 树枝剪及锯刀
- 铆钉枪/安全眼镜
- 铁皮剪/蛇头剪/鲤鱼钳/大力钳
- 六角扳手/六角扳手套组
- 扳手/扳手套组/扭力扳手
- 套筒/套筒组套
- 气动工具
- 电子工具套装
- 中测
- 高精密四线式线材高压瞬断分析仪
- 精密元件综合分析仪
- 多通道连接器高压测试仪
- 精密触摸式元件测试分析仪
- 精密直流微电阻测试仪
- 耐电压测试仪
- 精密四线式线材综合测试仪
- 精密线材综合测试仪
- 线束/连接器测试仪
- 精密连接器高压综合测试仪
- 精密连接器测试仪
- 精密触摸式电感平衡测试分析仪
- 线圈层间短路测试仪
- 多绕组层间短路测试仪
- 长盛
- 程控多路变频安规测试
- 安规测试仪
- 耐压测试仪
- 耐压校验仪/数字高压表
- LCR数字电桥
- 程控电容器漏电流/绝缘电阻测试仪
- 数字超高阻计/程控绝缘电阻测试仪
- 可编程直流低电阻测试仪
- 电子负载
- 数字扫频仪/函数信号发生器
- 匝间绝缘耐压测试仪
地址:威海市初村镇初河南路60号
客服:0631-5224466 5229596
传真:0631-5219496
邮编:264200
客服:0631-5224466 5229596
传真:0631-5219496
邮编:264200
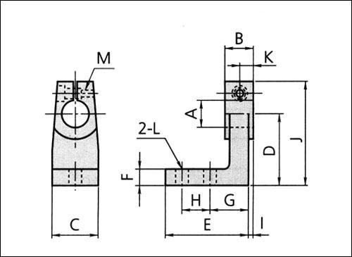
微分头固定装置 首页 > 产品目录 > 精密测量 > 三丰量具 > 千分尺/微分头
特点:
• 制造各种特殊用途的微分头的固定支架是一项费力且成本较高的工作。三丰生产了适用范围十分广泛的微分头固定装置。它们均由铸造金属镀镍而成。
• 套筒带有/不带锁紧螺母的两种微分头固定装置。
尺寸:普通轴套型微分头固定装置

| 货号 | 303560 | 303569 | 303579 |
| A | ø9.5 | ø9.5 | ø10 |
| B | 9 | 14.5 | 14.5 |
| C | 15 | 20 | 20 |
| D | 20 | 30 | 30 |
| E | 23 | 35 | 35 |
| F | 5 | 7 | 7 |
| G | 11 | 16 | 16 |
| H | 8 | 12 | 12 |
| I | 1.5 | 3.25 | 3.25 |
| J | 32.5 | 42.5 | 42.5 |
| K | 4.5 | 7.25 | 7.25 |
| L | ø3.4 | ø4.5 | ø4.5 |
| M | M3×0.5 | M3×0.5 | M3×0.5 |

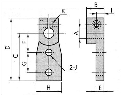
| 货号 | 303564 | 303573 | 303583 |
| A | ø9.5 | ø9.5 | ø10 |
| B | 9 | 14.5 | 14.5 |
| C | 30 | 40 | 40 |
| D | 42.5 | 52.5 | 52.5 |
| E | 4 | 6 | 6 |
| F | 15 | 18 | 18 |
| G | 10 | 15 | 15 |
| H | 15 | 20 | 20 |
| I | 4.5 | 7.25 | 7.25 |
| J | ø3.4 | ø4.5 | ø4.5 |
| K | M3×0.5 | M3×0.5 | M3×0.5 |

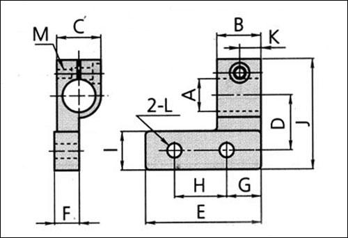
| 货号 | 303562 | 303571 | 303581 |
| A | ø9.5 | ø9.5 | ø10 |
| B | 9 | 14.5 | 14.5 |
| C | 15 | 15 | 15 |
| D | 20 | 22.5 | 22.5 |
| E | 40 | 60 | 60 |
| F | 3 | 5 | 5 |
| G | 30 | 40 | 40 |
| H | 15 | 20 | 20 |
| I | ø3.4 | ø4.5 | ø4.5 |
| J | M3×0.5 | M3×0.5 | M3×0.5 |

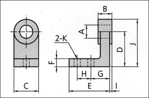
| 货号 | 303566 | 303575 | 303585 |
| A | ø9.5 | ø9.5 | ø10 |
| B | 9 | 14.5 | 14.5 |
| C | 15 | 15 | 15 |
| D | 15 | 20 | 20 |
| E | 25 | 40 | 40 |
| F | 8.5 | 8.5 | 8.5 |
| G | 7.5 | 10 | 10 |
| H | 10 | 20 | 20 |
| I | 10 | 15 | 15 |
| J | 32.5 | 40 | 40 |
| K | 4.5 | 7.25 | 7.25 |
| L | ø3.4 | ø4.5 | ø4.5 |
| M | M3×0.5 | M3×0.5 | M3×0.5 |

尺寸:带有锁紧螺母的微分头固定装置

| 货号 | 303559 | 303568 | 303578 |
| A | ø9.5 | ø9.5 | ø10 |
| B | 6 | 11.5 | 11.5 |
| C | 15 | 20 | 20 |
| D | 20 | 30 | 30 |
| E | 24 | 35 | 35 |
| F | 5 | 7 | 7 |
| G | 11 | 16 | 16 |
| H | 8 | 12 | 12 |
| I | 0.5 | 1.75 | 1.75 |
| J | 27.5 | 40 | 40 |
| K | ø3.4 | ø4.5 | ø4.5 |

| 货号 | 303563 | 303572 | 303582 |
| A | ø9.5 | ø9.5 | ø10 |
| B | 6 | 11.5 | 11.5 |
| C | 30 | 40 | 40 |
| D | 37.5 | 50 | 50 |
| E | 4.5 | 6.5 | 6.5 |
| F | 15 | 18 | 18 |
| G | 10 | 15 | 15 |
| H | 15 | 20 | 20 |
| I | ø3.4 | ø4.5 | ø4.5 |

| 货号 | 303561 | 303570 | 303580 |
| A | ø9.5 | ø9.5 | ø10 |
| B | 6 | 11.5 | 11.5 |
| C | 40 | 60 | 60 |
| D | 3.5 | 5.5 | 5.5 |
| E | 30 | 40 | 40 |
| F | 15 | 20 | 20 |
| G | ø3.4 | ø4.5 | ø4.5 |

| 货号 | 303565 | 303574 | 303584 |
| A | ø9.5 | ø9.5 | ø10 |
| B | 6 | 11.5 | 11.5 |
| C | ø15 | ø15 | ø15 |
| D | 15 | 20 | 20 |
| E | 25 | 40 | 40 |
| F | 8.5 | 8.5 | 8.5 |
| G | 7.5 | 10 | 10 |
| H | 10 | 20 | 20 |
| I | 10 | 15 | 15 |
| J | 27.5 | 35 | 35 |
| K | ø3.4 | ø4.5 | ø4.5 |
| L | 0.75 | 1.25 | 1.25 |