产品目录
- SATA(世达)
- 综合组套
- 工具箱、工具车、工具包
- 套筒及配件
- 扳手
- 扭力扳手
- 内六角
- 螺丝批旋具头
- 钳类工具
- 切割工具
- 敲击工具
- 测量工具
- 其它手动工具
- 电工电子工具
- 汽修汽保工具
- 轮胎设备
- 气动工具
- 个人防护用品
- 钻夹头
- 宝工
- 测试仪表
- 精密剪角钳/精密电子钳
- 高级电工钳/电缆剪线钳
- 刀剪
- 网路压接工具
- 剥线钳/压线钳
- 焊台/焊接除锡工具
- 精密调整/螺丝批
- 扳手/精密镊子
- 静电防护产品
- 放大镜类
- 光纤工具
- 电动工具及螺丝丝批头
- 零件盒
- 综合工具
- 专业工具箱/工具包
- 专业套装工具
- 防滑手钳系列
- RUBICON(罗宾汉)
- 螺丝批/螺丝批组套
- 精密型螺丝批
- 电脑批
- 绝缘工具/绝缘工具套装
- 电缆脱皮器/剥皮器
- 油压电缆剪
- 压线钳/剥线钳
- 钳/微型钳
- 树枝剪及锯刀
- 铆钉枪/安全眼镜
- 铁皮剪/蛇头剪/鲤鱼钳/大力钳
- 六角扳手/六角扳手套组
- 扳手/扳手套组/扭力扳手
- 套筒/套筒组套
- 气动工具
- 电子工具套装
- 中测
- 高精密四线式线材高压瞬断分析仪
- 精密元件综合分析仪
- 多通道连接器高压测试仪
- 精密触摸式元件测试分析仪
- 精密直流微电阻测试仪
- 耐电压测试仪
- 精密四线式线材综合测试仪
- 精密线材综合测试仪
- 线束/连接器测试仪
- 精密连接器高压综合测试仪
- 精密连接器测试仪
- 精密触摸式电感平衡测试分析仪
- 线圈层间短路测试仪
- 多绕组层间短路测试仪
- 长盛
- 程控多路变频安规测试
- 安规测试仪
- 耐压测试仪
- 耐压校验仪/数字高压表
- LCR数字电桥
- 程控电容器漏电流/绝缘电阻测试仪
- 数字超高阻计/程控绝缘电阻测试仪
- 可编程直流低电阻测试仪
- 电子负载
- 数字扫频仪/函数信号发生器
- 匝间绝缘耐压测试仪
地址:威海市初村镇初河南路60号
客服:0631-5224466 5229596
传真:0631-5219496
邮编:264200
客服:0631-5224466 5229596
传真:0631-5219496
邮编:264200
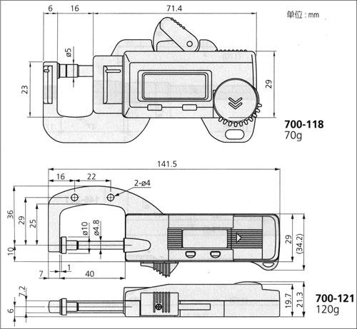
Quick-Mini (便携式小型比较仪) 700系列 首页 > 产品目录 > 精密测量 > 三丰量具 > 千分尺/微分头
便携式小型比较仪适于纸、皮革、线、塑性材料等厚度的快速检测。数显装置可确保0.01mm示值精度的准确读数。
技术参数:
精 度:参见性能参数
分辨率:0.01mm或.0005"/0.01mm
显 示:液晶显示
电 池:SR44(2个),938882
电池寿命:正常使用情况下约为2年
功能:
调零、数据保持、自动电源开/关、数据输出、英制/公制转换(英制/公制型)

性能参数:
公制型
| 测量范围 | 货号 | 精度 |
| 0-12mm | 700-119 | ±0.02mm |
| 0-25mm | 700-121 | ±0.02mm |
英制/公制型
| 测量范围 | 货号 | 精度 |
| 0-.5"/0-12mm | 700-118 | ±.001" |
| 0-1"/0-25mm | 700-122 | ±.001" |
