产品目录
- SATA(世达)
- 综合组套
- 工具箱、工具车、工具包
- 套筒及配件
- 扳手
- 扭力扳手
- 内六角
- 螺丝批旋具头
- 钳类工具
- 切割工具
- 敲击工具
- 测量工具
- 其它手动工具
- 电工电子工具
- 汽修汽保工具
- 轮胎设备
- 气动工具
- 个人防护用品
- 钻夹头
- 宝工
- 测试仪表
- 精密剪角钳/精密电子钳
- 高级电工钳/电缆剪线钳
- 刀剪
- 网路压接工具
- 剥线钳/压线钳
- 焊台/焊接除锡工具
- 精密调整/螺丝批
- 扳手/精密镊子
- 静电防护产品
- 放大镜类
- 光纤工具
- 电动工具及螺丝丝批头
- 零件盒
- 综合工具
- 专业工具箱/工具包
- 专业套装工具
- 防滑手钳系列
- RUBICON(罗宾汉)
- 螺丝批/螺丝批组套
- 精密型螺丝批
- 电脑批
- 绝缘工具/绝缘工具套装
- 电缆脱皮器/剥皮器
- 油压电缆剪
- 压线钳/剥线钳
- 钳/微型钳
- 树枝剪及锯刀
- 铆钉枪/安全眼镜
- 铁皮剪/蛇头剪/鲤鱼钳/大力钳
- 六角扳手/六角扳手套组
- 扳手/扳手套组/扭力扳手
- 套筒/套筒组套
- 气动工具
- 电子工具套装
- 中测
- 高精密四线式线材高压瞬断分析仪
- 精密元件综合分析仪
- 多通道连接器高压测试仪
- 精密触摸式元件测试分析仪
- 精密直流微电阻测试仪
- 耐电压测试仪
- 精密四线式线材综合测试仪
- 精密线材综合测试仪
- 线束/连接器测试仪
- 精密连接器高压综合测试仪
- 精密连接器测试仪
- 精密触摸式电感平衡测试分析仪
- 线圈层间短路测试仪
- 多绕组层间短路测试仪
- 长盛
- 程控多路变频安规测试
- 安规测试仪
- 耐压测试仪
- 耐压校验仪/数字高压表
- LCR数字电桥
- 程控电容器漏电流/绝缘电阻测试仪
- 数字超高阻计/程控绝缘电阻测试仪
- 可编程直流低电阻测试仪
- 电子负载
- 数字扫频仪/函数信号发生器
- 匝间绝缘耐压测试仪
地址:威海市初村镇初河南路60号
客服:0631-5224466 5229596
传真:0631-5219496
邮编:264200
客服:0631-5224466 5229596
传真:0631-5219496
邮编:264200
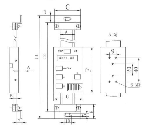
竖式数显标尺 首页 > 产品目录 > 精密测量 > 广陆量具 > 指示表/卡表/数显标尺
主要特点:
•带电源开关
•任意位置清零
•任意位置公英制互换
•带数据输出
•带预置功能

|
编号 |
测量范围 |
分辨力 |
A |
B |
C |
D |
E |
F |
G |
L1 |
L2 |
|
812-200
|
100/4
|
0.01/.0005
|
20
|
4
|
40
|
6
|
24
|
701
|
40
|
244
|
220
|
|
812-201
|
150/6
|
0.01/.0005
|
20
|
4
|
40
|
6
|
24
|
70
|
40
|
294
|
270
|
|
812-202
|
200/8
|
0.01/.0005
|
20
|
4
|
40
|
6
|
24
|
70
|
40
|
344
|
320
|
|
812-203
|
300/12
|
0.01/.0005
|
20
|
4
|
40
|
6
|
24
|
70
|
40
|
444
|
420
|
|
812-204
|
400/16
|
0.01/.0005
|
20
|
4
|
40
|
6
|
24
|
70
|
40
|
594
|
570
|
|
812-205
|
500/20
|
0.01/.0005
|
20/24
|
4 5.5
|
40 45
|
6 8
|
24 32
|
70 90
|
40 51
|
682
|
650
|
|
812-206
|
600/24
|
0.01/.0005
|
20/24
|
4 5.5
|
40 45
|
6 8
|
24 32
|
70 90
|
40 51
|
782
|
750
|
|
812-207
|
750/30
|
0.01/.0005
|
24
|
5.5
|
45
|
10
|
32
|
90
|
51
|
932
|
900
|
|
812-208
|
800/32
|
0.01/.0005
|
24
|
5.5
|
45
|
10
|
32
|
90
|
51
|
982
|
950
|
|
812-210
|
1000/40
|
0.01/.0005
|
31
|
10.5
|
60
|
10
|
40
|
90
|
51
|
1240
|
1200
|
|
812-215
|
1500/60
|
0.01/.0005
|
31
|
10.5
|
60
|
10
|
40
|
90
|
51
|
1740
|
1700
|
|
812-220
|
2000/80
|
0.01/.0005
|
31
|
10.5
|
60
|
10
|
40
|
90
|
51
|
2240
|
2200
|