产品目录
- SATA(世达)
- 综合组套
- 工具箱、工具车、工具包
- 套筒及配件
- 扳手
- 扭力扳手
- 内六角
- 螺丝批旋具头
- 钳类工具
- 切割工具
- 敲击工具
- 测量工具
- 其它手动工具
- 电工电子工具
- 汽修汽保工具
- 轮胎设备
- 气动工具
- 个人防护用品
- 钻夹头
- 宝工
- 测试仪表
- 精密剪角钳/精密电子钳
- 高级电工钳/电缆剪线钳
- 刀剪
- 网路压接工具
- 剥线钳/压线钳
- 焊台/焊接除锡工具
- 精密调整/螺丝批
- 扳手/精密镊子
- 静电防护产品
- 放大镜类
- 光纤工具
- 电动工具及螺丝丝批头
- 零件盒
- 综合工具
- 专业工具箱/工具包
- 专业套装工具
- 防滑手钳系列
- RUBICON(罗宾汉)
- 螺丝批/螺丝批组套
- 精密型螺丝批
- 电脑批
- 绝缘工具/绝缘工具套装
- 电缆脱皮器/剥皮器
- 油压电缆剪
- 压线钳/剥线钳
- 钳/微型钳
- 树枝剪及锯刀
- 铆钉枪/安全眼镜
- 铁皮剪/蛇头剪/鲤鱼钳/大力钳
- 六角扳手/六角扳手套组
- 扳手/扳手套组/扭力扳手
- 套筒/套筒组套
- 气动工具
- 电子工具套装
- 中测
- 高精密四线式线材高压瞬断分析仪
- 精密元件综合分析仪
- 多通道连接器高压测试仪
- 精密触摸式元件测试分析仪
- 精密直流微电阻测试仪
- 耐电压测试仪
- 精密四线式线材综合测试仪
- 精密线材综合测试仪
- 线束/连接器测试仪
- 精密连接器高压综合测试仪
- 精密连接器测试仪
- 精密触摸式电感平衡测试分析仪
- 线圈层间短路测试仪
- 多绕组层间短路测试仪
- 长盛
- 程控多路变频安规测试
- 安规测试仪
- 耐压测试仪
- 耐压校验仪/数字高压表
- LCR数字电桥
- 程控电容器漏电流/绝缘电阻测试仪
- 数字超高阻计/程控绝缘电阻测试仪
- 可编程直流低电阻测试仪
- 电子负载
- 数字扫频仪/函数信号发生器
- 匝间绝缘耐压测试仪
地址:威海市初村镇初河南路60号
客服:0631-5224466 5229596
传真:0631-5219496
邮编:264200
客服:0631-5224466 5229596
传真:0631-5219496
邮编:264200
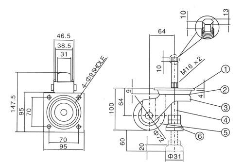
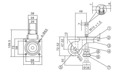
信希脚轮 SH调节轮 SHLC-700F/SHLC-200F 首页 > 产品目录 > 物流周转 > 信希脚轮 > 调节轮
信希脚轮 SH调节轮
设备承载(Recommenged)SHLC-700F:1,400kg/EA/ SHLC-200F:400kg/EA
(NetWeight) SHLC-700F 1.52kg
SHLC-200F 0.56kg
SHLC-700F(MATERIALS)


| 序号 | 部件名称 | 材质 | 备注 |
| 1 | 顶板 | SPC4T | 镀锌 |
| 2 | 钢球 | STB2 | 镀镍/镀铬 |
| 3 | 外壳 | SPC4.5T | 镀锌 |
| 4 | 轴 | SM45C | 镀锌 |
| 5 | 轮子 | NYLON-6 | 黑色 |
| 6 | 支脚 | Zn |


SHLC-200F(MATERIALS)
| 序号 | 部件名称 | 材质 | 备注 |
| 1 | 顶板 | SPC3T | 镀锌 |
| 2 | 钢球 | STB2 | 镀镍/镀铬 |
| 3 | 外壳 | SPC4T | 镀锌 |
| 4 | 轴 | SM45C | 镀锌 |
| 5 | 轮子 | NYLON-6 | 黑色 |
| 6 | 罩 | SPC | 镀锌 |
| 7 | 支脚 | NBR | 黑色 |
| 8 | 刷 | PE | 白色 |